大规格贝氏体型非调质钢XGMnVS 的开发实践

鲜奋强1,2,王芝林1,2,钱才让1,2,王磊英1,2,杨 国1,2,马 娟1,2,柳沛强1,2

(1.西宁特殊钢股份有限公司,青海西宁 810005;2.青海西钢特殊钢科技开发有限公司,青海西宁810005)

摘 要设计开发贝氏体型非调质钢XGMnVS(质量分数,%: 0.12~0.14 C,0.80~0.90 Si,2.65~2.75 Mn,0.010~0.020 S,0.08~0.15 V,0.64~0.72 Cr,0.19~0.25 Ni,0.015~0.025 Ti,0.010~0.030 Nb),尺寸为φ175 mm 圆钢。该钢组织为板条状下贝氏体+粒状贝氏体的混合组织,其综合机械性能良好,抗拉强度1 100~1 200 MPa,屈服强度780~880 MPa,断后伸长率≥15%,断面收缩率≥35%,冲击功≥35 J,布氏硬度300~330 HB。 该大规格贝氏体型非调质钢XGMnVS 可广泛应用于塑机液压杆、汽车前轴和转向节的制造。

关键词XGMnVS 钢;大规格;贝氏体;机械性能

20 世纪70 年代以来,调质钢由于在强度、韧性等方面取得的突破微小,而非调质钢在成本显著降低的情况下就可以达到甚至超过调质钢的强度和韧性水平,所以发展较快[1]。 非调质钢省去了淬火+高温回火等调质处理及校直等工序,具有生产工序简化、节能环保、综合成本较低等一系列优点,近年来在汽车的杆类、 轴类等零部件上得到了广泛应用。 非调质钢按照组织类别可分为铁素体+珠光体型、贝氏体型及马氏体型非调质钢。 目前应用较多的为铁素体+珠光体型非调质钢, 但强度和韧性低的弱点限制了其在汽车保安件等要求高强度、 高韧性零部件方面的应用。 对此,国内外先后开发了具有良好强韧性的贝氏体型非调质钢[2-5]

贝氏体型非调质钢(Mn-Cr-V 系)可用来代替传统的Cr 及Cr-Mo 型调质钢制造塑机液压杆、 汽车前轴等对强度和韧性要求高的零部件,XGMnVS 钢釆用较高的Mn 含量以获得贝氏体组织, 同时添加适量微合金化元素V 来改善钢的强韧性,使其具有良好的强度和韧性, 同时获得优异的疲劳性能。 因此,大规格贝氏体型非调质钢XGMnVS 的开发具有一定的市场,并对提升我国塑机液压杆、汽车前轴等零部件用高强高韧贝氏体型非调质钢的技术水平具有重大意义。

1 实验材料与方法

1.1 工艺流程和性能要求

XGMnVS 钢的生产工艺流程为: 铁液+废钢→110 t Consteel 电炉初炼→LF 炉精炼→VD 脱气→2 650 kg 模铸锭→坑冷保温→均热炉加热→750 轧机开坯→1250 轧机+8 架连轧机组轧制产材→保温→精整→上交。 XGMnVS 钢的性能要求如表1所示。

表1 XGMnVS钢的性能要求
Tab.1 Performance requirements of XGMnVS steel

?

1.2 成分设计

根据合金作用及材料性能的要求,对贝氏体型XGMnVS 钢进行成分设计,钒、铌、钛等合金元素是微合金非调质钢中最常添加的碳氮化合物形成元素,与铁相比,它们在钢中与碳和氮有更强的化学亲和力,形成更稳定的碳氮化合物,并通过细化晶粒和沉淀析出改善微合金非调质钢的力学性能[4-5]

其中低C 含量控制是该钢一大特点,文献[6]认为增加钢中C 含量,将使钢的连续冷却转变曲线特别是贝氏体部分右移, 不利于形成空冷贝氏体,因此,钢中的碳含量要求控制在0.12%~0.14%。 另外,该钢添加适量微合金元素V 来改善钢的强韧性,使其具有良好的强度和韧性,同时获得优异的疲劳性能,V 析出物钉扎奥氏体-铁素体相界,促进铁素体的形成,钢中加V 能获得最大的沉淀强化结果[7]。根据以上分析,考虑非调质钢工艺简单和成本低,设计的化学成分为2.65%~2.75% Mn,0.08%~0.15% V、0.010%~0.030% Nb、0.015%~0.025% Ti, 试验钢XGMnVS 的化学成分具体如表2 所示。

表2 试验钢XGMnVS 的质量分数
Tab.2 Chemical composition of XGMnVS steel

?

1.3 冶炼方案

本研究主要冶炼过程包括以下4 个步骤:

(1)110 t Consteel 电炉初炼 电炉出钢终点成分保证C≥0.06%、P≤0.012%,残余合格,电炉出钢时大包脱氧剂及合金加入顺序:Al 锭或钢芯铝→复合脱氧剂、 预熔渣→合金→石灰,Al 锭或钢芯铝在出钢1/3 后开始加入。

(2)LF 精炼 入LF 工位钢液温度≥1 510 ℃,根据渣况流动性加入0~100 kg 石灰,0~50 kg 萤石进行调渣,脱氧剂为碳粉或碳化硅,不得加入其他渣料,白渣精炼时间≥35 min。

(3)VD 脱气 入VD 工位温度≥1 600 ℃。 真空脱气操作规定:真空度≤0.07 kPa,保持时间≥15 min;脱气操作时氩气控制:粗真空(>27 kPa)氩气流量50~150 NL/min,极真空时氩气流量100~200 NL/min。

(4)吹氮工艺 VD 后温度≥1 560 ℃,吹氮气,保证N 含量满足(100~130)×10-4%;吹氮结束后换氩气吹扫游离氮5 min。

1.4 轧制方案

为保证大规格贝氏体型非调质钢XGMnVS 圆钢质量, 试验钢XGMnVS 采用模铸锭生产,2 650 kg模铸锭经均热炉加热后,750 轧机开坯,1250 轧机+8 架连轧机组轧制产材,轧制过程控制温度及变形量。 开轧温度:(950±10)℃,终轧温度:(930±20)℃,为提高XGMnVS 强韧性的目的,采用穿水工艺和轧后风冷工艺;为保证钢材冷却均匀性及圆钢直线度,钢材上齿条入坑缓冷,缓冷时间≥48 h。

2 实验结果及讨论

2.1 化学成分

对试制的大规格贝氏体型非调质钢XGMnVS热轧圆钢按GB/T 223《钢铁及合金化学分析方法》[8]及GB/T 4336-2016《碳素钢和中低合金钢多元素含量的测定火花放电原子发射光谱法(常规法)》[9]进行化学成分检验, 使用COREY-150-1 红外碳硫仪、TC-500氧氮联测仪及ICP6300 电感耦合等离子光谱仪检测, 试验生产的贝氏体型非调质钢XGMnVS的化学成分满足产品要求,熔炼化学成分(质量分数,%)为:0.13/0.14 C,0.84/0.82 Si,2.69/2.66 Mn,0.68/0.65 Cr,0.021/0.023 A,0.093/0.093 V,0.023/0.021 Nb,0.016/0.018 Ti,0.0128/0.0125 N。

2.2 力学性能

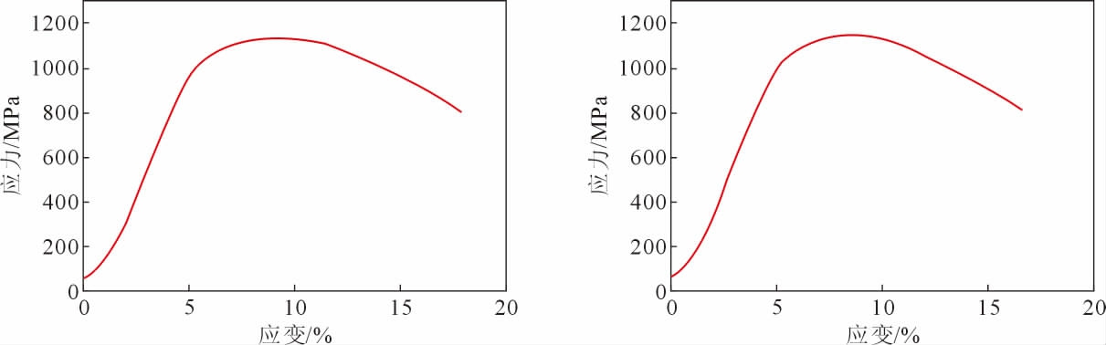
对试制的大规格贝氏体型非调质钢XGMnVS热轧圆钢按GB/T228.1-2010 《金属材料拉伸试验第1 部分:室温试验方法》[10]及GB/T229-2007《金属材料夏比摆锤冲击试验方法》[11]进行力学性能检验,使用WAW-Y500C 型电液伺服万能材料试验机及PIT 摆锤冲击试验机测试, 其中平均抗拉强度为1 154 MPa,平均屈服强度为815 MPa,平均断后伸长率16.5%,平均断面收缩率36.5%,平均冲击功36 J。试制XGMnVS 钢力学性能检测结果如表3所示,应力-应变曲线见图1。

图1 应力-应变曲线Fig.1 Stress-strain curve

表3 试制XGMnVS 钢力学性能
Tab.3 Mechanical properties of trial-produced XGMnVS steel

?

2.3 高倍检验

使用BX53M 型金相显微镜观察试验钢XGMnVS 热轧态组织形貌,结果表明,试制热轧态贝氏体型非调质钢XGMnVS 显微组织为板条状贝氏体+粒状贝氏体的混合组织,贝氏体板条中具有高的位错密度和条片状渗碳体,如图2 所示。

图2 热轧态贝氏体型非调质钢XGMnVS 显微组织形貌
Fig.2 Microstructure of hot-rolled bainitic non-quenched and tempered steel XGMnVS

2.4 夹杂物检验

钢中夹杂物能破坏钢基体的连续一致性,在用户加工变形过程中因为应力的集中而成为裂纹源,对加工变形产生极大危害,为了保证用户正常加工使用及产品质量,对试制的贝氏体型非调质钢XGMn-VS 进行非金属夹杂物检测,使用BX53M 型金相显微镜,按GB/T10561-2005《钢中非金属夹杂物含量的测定标准评级图显微检验法》[12]评级,评级结果为A 类细系1.0 级,B 类细系1.0 级,夹杂物满足要求,评级结果如表4 所示。

表4 试制XGMnVS 钢非金属夹杂物检测结果
Tab.4 Test results of non-metallic inclusions in trialproduced XGMnVS steel

?

3 回火对贝氏体型非调质钢XGMn-VS 组织及性能的影响

3.1 回火态金相组织

试制非调质钢XGMnVS, 使用BX53M 型金相显微镜观察其热轧态组织, 组织为板条状下贝氏体+粒状贝氏体的混合组织,贝氏体板条中具有高的位错密度和条片状渗碳体。 对试制的贝氏体型非调质钢XGMnVS 进行200~500 ℃回火处理, 随着回火温度的升高, 组织逐渐发生回复, 部分原始组织分解。 500 ℃回火处理结果见图3。

图3 XGMnVS 钢500 ℃回火组织
Fig.3 Tempered structure of XGMnVS steel at 500 ℃

3.2 回火态力学性能

实验用钢组织主要由粒状贝氏体+板条下贝氏体构成, 因此在回火过程中的组织变化必然影响其力学性能[13]。 对试制的贝氏体型非调质钢XGMnVS进行200~500 ℃回火处理,随着回火温度升高,试制贝氏体型非调质钢XGMnVS 的抗拉强度逐渐降低;而屈服强度则呈现先缓慢增加后降低的变化趋势,在400 ℃回火时达到峰值, 但在500 ℃回火时屈服强度仍高于热轧态。 与强度变化趋势不同,试制的贝氏体型非调质钢XGMnVS 的冲击功随回火温度呈现先增加后降低, 最后再增加的变化特征,在400 ℃回火时冲击吸收功最小,呈现出一定的回火脆性;而500 ℃回火后冲击功最大,较热轧态样品提高约47%。 500 ℃回火处理后钢材使用WAW-Y500C型电液伺服万能材料试验机及PIT 摆锤冲击试验机。 按GB/T228.1-2010《金属材料拉伸试验第1部分:室温试验方法》[10]及GB/T229-2007《金属材料夏比摆锤冲击试验方法》[11]进行力学性能检验,力学性能如表5 所示,应力-应变曲线见图4。

图4 应力-应变曲线
Fig.4 Stress-strain curve

表5 XGMnVS钢500 ℃回火处理力学性能
Tab.5 Mechanical properties of XGMnVS steel tempered at 500 ℃

?

4 结论

(1)通过合理的成分设计,冶炼过程控制,炼钢高洁净度渣系冶炼、模铸浇铸,轧钢控轧控冷工艺轧制,开轧温度:(950±10)℃,终轧温度:(930±20)℃,采用穿水工艺和轧后风冷工艺,生产的大规格贝氏体型非调质钢XGMnVS 满足工程应用。

(2)生产的大规格贝氏体型非调质钢XGMnVS热轧圆钢平均抗拉强度1154 MPa,平均屈服强度815 MPa,平均断后伸长率16.5%,平均断面收缩率36.5%,平均冲击功36 J。

(3)XGMnVS 钢采用500 ℃回火后平均冲击功53 J,较热轧态样品提高约47%,使其具有良好的强韧性。

(4)非调质钢XGMnVS 组织主要由粒状贝氏体+板条下贝氏体构成,与铁素体+珠光体型非调质钢相比,力学性能显著提高,抗拉强度提高约100~200 MPa,具有优良的综合力学性能。

参考文献:

[1] 张拓燕,杨军,邓瑞刚.贝氏体非调质钢的研究现状与应用[J].热加工工艺,2011,40(8):43-46.ZHANG T Y, YANG J, DENG R G. Research and application of bainitic non-quenched steel[J].Hot Working Technology,2011,40(8):43-46.

[2] 王占花,惠卫军,陈祯,等. 钒及奥氏体化温度对Mn-Cr 系贝氏体型非调质钢过冷奥氏体连续冷却转变行为的影响[J]. 材料导报,2020,34(18):18145-18151,18158.WANG Z H, HUI W J, CHEN Z, et al. Effect of vanadium and austenitizing temperature on continuous cooling transformation behavior of Mn-Cr Type Bainitic Forging Steels[J]. Materials Reports,2020,34(18):18145-18151,18158.

[3] 胡芳忠,惠卫军,雍岐龙,等. 一种贝氏体型非调质钢的高周疲劳性能[C]//2010 年全国微合金非调质钢学术年会论文集.南昌:中国金属学会,2010,27-33.HU F Z,HUI W J,YONG Q L,et al.High-cycle fatigue properties of abainiticnon-quenchedandtemperedsteel[C]//2010 Proceedings of the National Aca demic Annual Meeting of Microalloy Non-quenched and Tempered Steel. Nanchang: The Chinese Society for Metals,2010,27-33.

[4] 李太全.低碳微合金非调质钢的非金属夹杂物研究[J].上海金属,2009,31(6):23-27.LI T Q. Study on Non-metallic inclusions of non-quenched and tempered low carbon micralloy steel[J]. Shanghai Metals, 2009,31(6):23-27.

[5] 刘瑞宁,王福明,李强. 微合金非调质钢的发展及现状[J]. 河北冶金,2006(1):6-9.LIU R N, WANG F M, LI Q. Development and present of non-quenched and non-tempered microalloy steel[J]. Hebei Metallurgy,2006(1):6-9.

[6] 计芳芳,惠卫军,吴勇生,等. 碳含量对贝氏体型冷作强化非调质钢的组织和力学性能的影响[J].特殊钢,2010,31(4):68-70.JI F F, HUI W J, WU Y S, et al. Effect of carbon content on microstructure and mechanical properties of bainite cold-workstrengthened non-quenchedandnon-temperedsteel[J].SpecialSteel,2010,31(4):68-70.

[7] 胡淑娥,唐立东,冯勇,等. 贝氏体型非调质钢的试制[J]. 钢铁钒钛,2003(1):66-70.HU S E,TANG L D,FENG Y,et al.Developing of non-quenched and tempered bainitic steel[J]. Iron Steel Vanadium Titanium,2003(1):66-70.

[8] 国家技术监督局.钢铁及合金化学分析方法[S]. 北京:中国标准出版社,1995.State bureau of technical supervision. Methods for chemical analysis of iron, steel and alloy[S]. Beijing: Standards Press of China,1995.

[9] 中华人民共和国国家质量监督检验检疫总局. 碳素钢和中低合金钢多元素含量测定火花放电原子发射光谱法(常规法)[S]. 北京:中国标准出版社,2016.General administration of quality supervision, inspection and quarantine of the People's Republic of China. Carbon steel and medium low alloy steel-determination of multi-element contentsspark discharge atomic emission spectroscopy method (routine method)[S].Beijing:Standards Press of China,2016.

[10] 中华人民共和国国家质量监督检验检疫总局. 金属材料拉伸试验第1 部分:室温试验方法[S].北京:中国标准出版社,2010.General administration of quality supervision, inspection and quarantine of the People's Republic of China. Metallic materialstensile testing-Part 1: Method of test at room temperature[S].Beijing:Standards Press of China,2010.

[11] 中华人民共和国国家质量监督检验检疫总局. 金属材料夏比摆锤冲击试验方法[S].北京:中国标准出版社,2007.General administration of quality supervision, inspection and quarantine of the People's Republic of China. Metallic materialscharpy pendulum impact test method[S]. Beijing: Standards Press of China,2007.

[12] 中华人民共和国国家质量监督检验检疫总局. 钢中非金属夹杂物含量的测定标准评级图显微检验法[S]. 北京:中国标准出版社,2005.General administration of quality supervision, inspection and quarantine of the People's Republic of China. Steel-determination of content of nonmetallic inclusions-microscopic method using standard gradings[S].Beijing:Standards Press of China,2005.

Development Practice of Large Scale Bainite Non-quenched and Tempered Steel XGMnVS

XIAN Fenqiang1,2,WANG Zhilin1,2,QIAN Cairang1,2,WANG Leiying1,2,YANG Guo1,2,MA Juan1,2,LIU Peiqiang1,2
(1.Xining Special Steel Co.,Ltd.,Xining 810005,China;2.Qinghai Xigang Special Steel Technology Development Co.,Ltd.,Xining 810005,China)

Abstract φ175 mm steel XGMnVS (mass fraction,%:0.12~0.14 C,0.80~0.90 Si,2.65~2.75 Mn,0.010~0.020 S,0.08~0.15 V,0.64~0.72 Cr,0.19~0.25 Ni,0.015~0.025 Ti,0.010~0.030 Nb) was designed. The structure of the steel is a mixture of slab bainite and granular bainite with good mechanical properties, tensile strength of 1 100~1 200 MPa, yield strength of 780~880 MPa, elongation ≥15% , section shrinkage ≥35% , impact work ≥35 J, and Brinell hardness of 300~330 HB.Large scale bainitic non-quenched and tempered steel XGMnVS can be widely used in the manufacture of hydraulic poles of plastic machines and front axles of automobiles.

Key wordsXGMnVS steel; large scale; bainite; mechanical properties

中图分类号TG113.25

文献标识码:A

文章编号:1000-8365(2023)07-0680-05

DOI10.16410/j.issn1000-8365.2023.2068

收稿日期:2022-03-11

基金项目:青海省重点研发与转化计划(2021-GX-C09)

作者简介:鲜奋强,1993 年生,本科、助理工程师.主要从事特殊钢产品研发及管理相关工作.E-mail:1456322319@qq.com

通讯作者:王芝林,1983 年生,高级工程师,工学学士.主要从事钢铁新产品研发. Email:106122099@qq.com

引用格式:鲜奋强,王芝林,钱才让,等.大规格贝氏体型非调质钢XGMnVS 的开发实践[J].铸造技术,2023,44(7):680-684.

XIAN F Q,WANG Z L,QIAN C R,et al.Development practice of large scale bainite non-quenched and tempered steel XGMnVS[J].Foundry Technology,2023,44(7):680-684.